Классификация, устройство и принцип работы ГРМ двигателя
Газораспределительный механизм (ГРМ) представляет собой совокупность деталей и узлов, обеспечивающих открытие и закрытие впускных и выпускных клапанов двигателя в определенный момент времени. Основная задача ГРМ заключается в своевременной подаче топливовоздушной смеси или топлива (это зависит от типа мотора) в камеру сгорания и выпуск отработавших газов. Для реализации этой задачи слажено работает целый комплекс механизмов, часть из которых управляется при помощи электроники.
Устройство газораспределительного механизма
В современных моторах газораспределительный механизм располагается в головке блока цилиндров двигателя. В его состав входят следующие основные элементы:
- Распределительный вал. Это сложная по конструкции деталь, которая изготавливается из прочной стали или чугуна с высокой точностью обработки. В зависимости от конструкции ГРМ распредвал может устанавливаться в головке блока цилиндров или в картере двигателя (такая компоновка сейчас не применяется). Это основная деталь, которая отвечает за последовательное открытие и закрытие клапанов.Распределительный вал
На валу имеются опорные шейки и кулачки, которые и толкают стержень клапана или коромысло. Форма кулачка имеет строго определенную геометрию, поскольку от этого зависит длительность и степень открытия клапана. Также кулачки выполнены разнонаправленными, чтобы обеспечивать попеременную работу цилиндров.
- Привод. Крутящий момент от коленчатого вала передается через привод на распределительный вал. Привод бывает разным в зависимости от конструктивного решения. Шестерня коленвала в два раза меньше шестерни распредвала. Таким образом, коленчатый вал вращается в два раза быстрее. В зависимости от типа привода в его состав входят:
- цепь или ремень;
- шестерни валов;
- натяжитель (натяжной ролик);
- успокоитель и башмак.
- Впускные и выпускные клапаны. Они расположены в головке блока цилиндров и представляют собой стержни с плоской головкой на одном конце, которая называется тарелкой. Впускные и выпускные клапаны отличаются по конструкции. Впускной изготавливается цельной деталью. Также он имеет больший диаметр тарелки для обеспечения лучшего наполнения цилиндра свежим зарядом. Выпускной часто изготавливают из жаропрочной стали и с полым стержнем для лучшего охлаждения, так как в работе он подвергается более высоким температурам. Внутри полости находится натриевый наполнитель, который легко плавится и отводит часть тепла от тарелки к стержню.Впускные и выпускные клапаны с пружинами
На тарелках клапанов сделаны специальные фаски, которые обеспечивают более плотное прилегание к отверстиям в головке блока цилиндров. Это место называется седлом. Кроме самих клапанов, в механизме предусмотрены дополнительные элементы, обеспечивающие его правильную работу:
- Пружины. Возвращают клапаны в исходное положение после нажатия.
- Маслосъемные колпачки. Представляют собой специальные уплотнители, которые не допускают попадания масла в камеру сгорания по стержню клапана.
- Направляющая втулка. Устанавливается в корпус ГБЦ и обеспечивает точное движение клапана.
- Сухари. С их помощью пружина крепится на стержне клапана.
- Толкатели. Через толкатели передается усилие от кулачка распредвала на стержень. Изготавливаются из высокопрочной стали. Они бывают разных видов (механические (стаканы), роликовые, гидрокомпенсаторы). Тепловой зазор между механическими толкателями и кулачками распредвала регулируется вручную. Гидрокомпенсаторы или гидротолкатели автоматически поддерживают нужный тепловой зазор и не требуют регулировки.
- Коромысло или рычаги. Простое коромысло представляет собой двуплечный рычаг, который совершает качательные движения. В различной компоновке коромысла могут работать по-разному.
Коромысло
- Системы изменения фаз газораспределения. Данные системы устанавливаются не на все двигатели. Более подробно про устройство и принцип работы CVVT можно прочитать в отдельной статье на нашем сайте.
Принцип работы
Работу газораспределительного механизма сложно рассматривать отдельно, в отрыве от рабочего цикла двигателя. Ведь его основная задача – это вовремя открыть и закрыть клапана на определенный промежуток времени. Соответственно на такте впуска открываются впускные, а на такте выпуска – выпускные. То есть фактически механизм должен реализовывать рассчитанные фазы газораспределения.
Технически это происходит следующим образом:
- Коленчатый вал передает крутящий момент посредством привода на распределительный.
- Кулачок на распределительном валу нажимает на толкатель или коромысло.
- Клапан перемещается внутрь камеры сгорания, открывая доступ свежему заряду или отработавшим газам.
- После того как кулачок проходит активную фазу воздействия, клапан возвращается на место под действием пружины.
Стоит также отметить, что за полный рабочий цикл распредвал совершает 2 оборота, попеременно открывая клапана в каждом цилиндре, в зависимости от порядка их работы. То есть, например, при схеме работы 1-3-4-2 в один и тот же момент времени в первом цилиндре будут открыты впускные клапаны, а в четвертом выпускные. Во втором и третьем клапаны будут закрыты.
Классификация или типы ГРМ
Двигатели могут иметь различную компоновку газораспределительного механизма. Рассмотрим следующую классификацию.
По расположению распределительного вала
Существуют два типа положения распредвала:
При нижнем расположении распредвал находится в блоке цилиндров рядом с коленчатым валом. Усилие от кулачков передается через толкатели на коромысла, при этом применяются специальные штанги. Они представляют собой длинные стержни и связывают толкатели внизу с коромыслами наверху. Нижнее расположение считается не самым удачным, но имеет и свои плюсы. В частности, более надежное соединение распредвала с коленвалом. Данный тип расположения на современных моторах не применяется.
Нижнее расположение распредвала и устройство ГРМ
При верхнем положении распредвал находится в головке блока цилиндров (ГБЦ) непосредственно над клапанами. При таком положении могут быть реализованы различные варианты воздействия на клапаны: через толкатели, коромысла или рычаги. Такая конструкция более простая, надежная и компактная. Верхнее положение распредвала получило более широкое распространение.
По количеству распределительных валов
На рядных двигателях могут быть установлены один или два распределительных вала. Моторы с одним распредвалом имеют аббревиатуру SOHC (Single Overhead Camshaft), а с двумя – DOHC (Double Overhead Camshaft). Один вал отвечает за открытие впускных, а другой за открытие выпускных клапанов. В двигателях c V-образной компоновкой используются четыре распредвала, по два на каждый ряд цилиндров.
По количеству клапанов
От количества клапанов на один цилиндр будет зависеть форма распредвала и количество кулачков на нем. Клапанов может быть два, три, четыре или пять.
Самый простой вариант с двумя клапанами: один работает на впуск, другой на выпуск. В трехклапаном двигателе два работают на впуск и один на выпуск. При четырех клапанах: два на впуск и два на выпуск. Пять клапанов: три на впуск и два на выпуск. Чем больше клапанов на впуске, тем больше объем поступающей топливовоздушной смеси в камеру сгорания. Повышается мощность и динамика двигателя. Сделать больше пяти не позволят размер камеры сгорания и форма распредвала. Наиболее часто встречается схема с четырьмя клапанами на цилиндр.
По типу привода
Различают три типа привода распределительного вала:
- Шестеренчатый. Данный привод возможен только при нижнем положении распредвала в блоке цилиндров. Коленвал и распредвал имеют зубчатый привод через шестерни (звездочки). Главное преимущество такого привода – надежность. При верхнем положении распредвала в ГБЦ применяется цепной и ременный привод.
- Цепной. Этот привод считается более надежным. Но использование цепи требует особых условий. Для гашения колебаний устанавливаются успокоители, а натяжение цепи регулируется натяжителями. В зависимости от количества валов могут применяться несколько цепей.
Ресурса цепи хватает в среднем на 150-200 тысяч километров пробега.
Главной проблемой цепного привода считается поломка натяжителей, успокоителей или разрыв самой цепи. При плохом натяжении цепь может перескакивать между зубьев в ходе работы, что приводит к нарушению фаз газораспределения.
Ременный и цепной приводы ГРМ
Автоматически регулировать натяжение цепи помогают гидронатяжители. Они представляют собой поршни, которые давят на так называемый башмак. Башмак прилегает непосредственно к цепи. Он представляет собой изогнутую дугой деталь со специальным покрытием.
Внутри гидронатяжителя находится плунжер, пружина и рабочая полость для масла. Масло поступает в натяжитель и выталкивает цилиндр до нужного уровня. Клапан закрывает масляный канал, и поршень постоянно поддерживает нужное натяжение цепи. По похожему принципу работают гидрокомпенсаторы в ГРМ. Успокоитель цепи гасит остаточные колебания, которые не погасил башмак.
Так достигается оптимальная и точная работа цепного привода.
Самые большие неприятности может принести разрыв цепи.
Распредвал прекращает вращение, а коленвал продолжает крутиться и двигать поршни. Днища поршней ударяются о тарелки клапанов, что приводит к их деформации. В самых тяжелых случаях может быть поврежден и блок цилиндров. Чтобы такого не произошло, иногда применяются двухрядные цепи. При обрыве одной другая продолжит работу. Водитель без последствий исправит ситуацию.
- Ременный. Ременный привод не требует смазки, в отличие от цепного.
Ресурс ремня также ограничен и в среднем он равен 60-80 тысячам километров пробега.
Для лучшего сцепления и надежности используются зубчатые ремни. Такой привод более прост. Разрыв ремня при работающем двигателе приведет к тем же последствиям, что и при разрыве цепи. Главными преимуществами ременного привода является простота эксплуатации и замены, дешевизна и бесшумная работа.
От правильной работы всего газораспределительного механизма зависит работа двигателя, его динамика и мощность. Чем больше количество и объем цилиндров, тем сложнее будет устройство ГРМ. Каждому водителю важно понимать устройство механизма, чтобы вовремя заметить неисправность.
(3 5,00 из 5)
Загрузка…
Вам также может понравиться
Устройство газораспределительного механизма двигателя внутреннего сгорания: назначение, принцип работы
Устройство газораспределительного механизма двигателя внутреннего сгорания: назначение, принцип работы
Основное назначение газораспределительного механизма (ГРМ) — своевременная подача горючей смеси из топлива и воздуха (топливо-воздушной смеси) в камеру сгорания и вывода газов из цилиндров двигателя.
Работа ГРМ заключается в своевременном открытии-закрытии впускных и выпускных клапанов за что отвечает клапанный механизм.
Принцип действия газораспределительного механизма
Работа газораспределительного механизма заключается в синхронном движении двух валов – коленчатого вала и распределительного вала. Параллельное вращение валов обеспечивает своевременное открытие и закрытие впускных и выпускных клапанов цилиндров двигателя.
Во время вращения распределительного вала его кулачки воздействуют на рычаги, которые в свою очередь передают усилие на клапанные стержни, что и приводит к открытию клапанов.
При дальнейшем вращении распределительного вала клапаны закрываются, благодаря занятию кулачками начальной позиции.
Классификация ГРМ
Современные автомобильные двигатели получили различные типы газораспределительных механизмов, разработка которых была основана на опыте эксплуатации более ранних моделей.
Классификация ГРМ по четырем основным различиям:
- По расположению распределительного вала:
— верхнее расположение ГРМ;
— нижнее расположение ГРМ;
2. По количеству распределительных валов:
— одинраспредвал (SOHC — Single OverHead Camshaft)
— двараспредвала (DOHC — Double OverHead Camshaft);
3. По числу клапанов – 2, 3, 4, 5;
4. По приводу распределительного вала:
— цепной привод от коленчатого вала;
— шестеренчатый привод от коленчатого вала;
— ременной привод коленчатого вала.
Чаще всего встречается верхнее расположение распределительного вала в головке двигателя – это объясняется простотой конструкции и эффективностью работы, уменьшением массы механизма. Открытие и закрытие клапанов в газораспределительном механизме такого типа осуществляется с помощью толкателей.
Устройство газораспределительного механизма
Газораспределительный механизм состоит из:
- распределительного вала;
- толкателей;
- клапанов;
- коромысла;
- штанги;
- привода.
1. Распределительный вал. Вращение распределительного вала приводит к своевременному открытию и закрытию клапанов газораспределительного механизма в зависимости от последовательности работы цилиндров двигателя, учитывая фазы газораспределения газов в механизме. Изготавливают распределительный вал из высокопрочной закаленной стали или чугуна.
На валу ГРМ имеются опорные шейки и кулачки. Форма кулачков влияет на рабочие процессы распределения горючей смеси и газов, частоту и время открытия, закрытия клапанов. В торце распределительного вала ГРМ крепится звездочка (на которую устанавливается цепь) или шкив привода вала (на которую одевается ремень). Вал устанавливается в корпусе на подшипниках.
В целях предотвращения осевых смещений распределительный вал имеет упорный фланец.
2. Толкатели. Толкатели – это детали газораспределительного механизма, которые служат для передачи усилий от кулачков распределительного вала к штангам коромысел. Толкатели изготавливают из высокопрочной стали или чугуна.
Виды толкателей: роликовые, цилиндрические, грибовидные.
Движение толкателей происходит в корпусах, закрепленных на блоке цилиндров или по направляющим.
3. Клапаны. Клапаны служат для подачи горючей смеси в цилиндры двигателя и вывода отработанных газов. Различают впускные и выпускные клапаны. Впускные служат для впуска горючей смеси, а выпускные клапаны служат для выпуска отработавших газов.
Конструкция клапана. Клапан состоит из стержня и головки. НА клапанной головке имеется кромка под 45 градусов для лучшего прилегания клапана. Впускной клапан отличается от выпускного диаметром. Выпускной клапан значительно больше по диаметру, чем впускной, так как объем отработавших газов превышает объем подающейся горючей смеси. Клапаны ГРМ установлены в головке блока цилиндров. Место их соединения называется седлом и имеет конусную форму. Для герметизации цилиндра предназначен клапанный механизм. Для улучшения герметизации цилиндра проводят процесс под названием притирка клапанов.
Впускные клапаны изготавливают из стали с хромистым покрытием, а выпускные клапаны из жаропрочной стали. Седла клапанов изготавливают из жаропрочного чугуна.
Движение стержней клапанов осуществляется по направляющим втулкам, которые изготавливаются из чугуна или стали. Направляющие соединены с головкой блока цилиндров. Клапаны оснащены внутренней и наружной пружинами. Пружины же крепятся с помощью тарелок, сухарей и шайб.
Открытие клапанов осуществляется через усилие, которое передается от распределительного вала на клапан.
Газораспределительный механизм современных двигателей устроен таким образом, что на каждый цилиндр двигателя имеется по два клапана впуска и два клапана выпуска. Для снятия клапанов используют рассухариватели клапанов.
4. Штанги
Штанги служат для передачи усилия от толкателей к коромыслам. Штанги толкателей могут иметь форму полых цилиндрических стержней со стальными наконечниками.
Штанги изготавливают из износостойкого алюминиевого сплава, крепятся с одной стороны к коромыслу, а с другой – к толкателю.
5. Коромысло
Коромысло служит для передачи усилия от штанги к клапанам. Коромысло выполнено в виде рычага с двумя плечами, который крепится на оси. При этом одно плечо длиннее, чем другое (возле штанги).
Коромысла изготавливают из прочной стали. Устанавливают коромысло на оси, которая крепится к головке цилиндров, на специальных втулках. Втулки предназначены для уменьшения трения между осью и коромыслом.
6. Привод распределительного вала
Распределительный вал приводится в движение от коленчатого вала при помощи привода, который может быть, как мы говорили цепной, шестеренчатый, ременной.
Скорость вращения распределительного вала в 2 раза меньше, чем скорость вращения коленчатого вала, что обеспечивается передаточным числом звездочки, либо размером шкива.
Таким образом, за два вращения коленчатого вала, распределительный вал совершит только одно вращение, что необходимо для осуществления одного рабочего цикла.
Часто встречается в обиходе автомобилистов такой термин, как тепловой зазор.
Схема и назначение газораспределительного механизма автомобиля
Четырехтактный двигатель внутреннего сгорания – наиболее распространенный силовой агрегат, использующийся в современном автомобилестроении. Свое название он получил по количеству фаз, необходимых для осуществления одного цикла работы, или поворота коленчатого вала на 720 градусов.
Фаза впрыска топлива или топливно-воздушной смеси, сжатие рабочего тела поршнем, рабочий ход и выпуск отработанных газов. В модели идеального двигателя все фазы разнесены во времени, перекрытие между ними отсутствует, что, в свою очередь, обеспечивает получение максимально возможных рабочих значений мощности, крутящего момента и оборотов двигателя.
На практике, к сожалению, дела обстоят несколько хуже. Устройство газораспределительного механизма, отвечающего за исполнение фазы впрыска топлива и удаление выхлопных газов, его схема и принцип работы – основная тема данной статьи.
Общая схема и взаимодействие частей
Своевременное открытие впускных и выхлопных клапанов в цилиндрах двигателя внутреннего сгорания обеспечивается работой газораспределительного механизма или ГРМ.
Данное устройство состоит из распределительного вала с кулачками, необходимого количества коромысел или толкателей клапанов, пружин и собственно клапанов. Шестерня распредвала, ремень или цепь, используемые для передачи вращения от коленвала, и механизм натяжения цепи так же являются частью ГРМ.
- Фаза впрыска топлива. Поршень начинает движение от верхней мертвой точки к нижней. Открывается клапан подачи горючего, и топливно-воздушная смесь заполняет разреженное пространство цилиндра. Отмерив необходимую дозу ТВС, клапан закрывается. Коленчатый вал повернулся на 180 градусов от начального положения.
- Фаза сжатия. Достигнув нижней мертвой точки, поршень меняет направление движения к ВМТ, осуществляя сжатие топливно-воздушной смеси. При достижении верхней мертвой точки фаза сжатия рабочего тела оканчивается. Коленчатый вал совершил поворот на 360 градусов.
- Фаза рабочего хода. В момент нахождения поршня в ВМТ и достижения максимальной расчетной степени сжатия, происходит воспламенение топливно-воздушной смеси. Под действием стремительно расширяющихся газов поршень движется к нижней мертвой точке, совершая рабочий ход. При достижении НМТ третья фаза работы четырехтактного двигателя внутреннего сгорания считается оконченной. Коленчатый вал совершил поворот 540 градусов.
- Фаза удаления отработанных газов. Под действием коленчатого вала поршень начинает движение к верхней мертвой точке, вытесняя из объема цилиндра продукты сгорания топливно-воздушной смеси через открывшийся выхлопной клапан. По достижении поршнем ВМТ, фаза выхлопа считается завершенной, коленчатый вал совершил оборот на 720 градусов.
Для достижения такой точности по времени открытия впускных и выхлопных клапанов, газораспределительный механизм синхронизирован с оборотами коленчатого вала двигателя. Ремень или цепь передает вращение распределительному валу, кулачки которого, нажимая на коромысла, открывают поочередно впускные и выпускные клапаны ГРМ.
Нижнеклапанные двигатели
Газораспределительный механизм двигателя внутреннего сгорания прошел долгий путь от 1900-х годов до наших дней.
Нижнеклапанные двигатели с распредвалом в блоке цилиндров, использовались повсеместно, вплоть до середины двадцатого века. Схема и устройство впускных и выпускных клапанов, расположенных в ряд тарелками вверх, обеспечивала простоту изготовления и малошумность двигателя. Основным минусом подобной конструкции был сложный путь топливно-воздушной смеси, неоптимальный режим наполнения цилиндров, и, как следствие, меньшая мощность силового агрегата.
Газораспределительный механизм такого вида использовался вплоть до 90-х годов двадцатого столетия в грузовых автомобилях. Пример тому – ГАЗ 52, выпуск которого закончился в 1991 году.
Смешанное расположение клапанов
Попытки повысить мощностные характеристики ДВС привели к созданию двигателя со смешанным расположением клапанов. Впускные находились в головке блока цилиндров, а выпускные – в блоке, как у обычного «нижнеклапанника».
Распределительный вал один, так же расположенный в блоке цилиндров. Клапана, отвечающие за впуск топливно-воздушной смеси управлялись посредством штанг – толкателей, через которые передавалось усилие с распредвала, выхлопные – с помощью привычного коромысла.
Такая компоновочная схема обеспечивала более низкую температуру ТВС, и, как следствие, более высокую мощность, по сравнению с нижнеклапанными двигателями внутреннего сгорания.
Верхнеклапанные двигатели
Газораспределительный механизм, клапаны впускной и выхлопной системы которого находятся в головке блока цилиндров, а распредвал – в самом блоке, был сконструирован Дэвидом Бьюиком в самом начале двадцатого столетия. Управление клапанами осуществлялось посредством штанг – толкателей, воздействовавших на коромысла.
Подобная компоновочная схема обладает высокой надежностью, за счет передачи вращения от коленчатого вала к распределительному, с помощью шестерни. Зубчатый ремень, изношенный в процессе эксплуатации, может оборваться, нанеся серьезные повреждения клапанному механизму ГРМ, изношенная же передаточная шестерня лишь немного сдвинет фазы газораспределения, что опытный водитель заметит по изменениям в работе двигателя.
Минусом является некоторая инерционность подобной конструкции, что накладывает ограничения на обороты двигателя, а, следовательно, на крутящий момент и степень форсирования. Использование более чем двух клапанов на цилиндр приводит к усложнению газораспределительного механизма и увеличению габаритных размеров двигателя. Четырехклапанные двигатели такой компоновки используются в грузовых автомобилях КамАЗ, дизельных тепловозных двигателях.
Газораспределительный механизм автомобиля «Волга» двадцать первой модели был устроен именно по верхнеклапанной схеме.
- Двигатели, в которых распредвал и клапаны газораспределительного механизма располагаются в головке блока цилиндров, обозначаются аббревиатурой SOHC. Принцип действия и устройство механизма управления клапанами ГРМ отличается большим разнообразием. Существует схема открытия клапанов при помощи коромысел, рычагов и толкателей. Наибольшее распространение подобное устройство двигателей получило в период с середины 60-х до конца 80-х годов двадцатого столетия. В данный момент такие двигатели устанавливаются на недорогие легковые автомобили.
- Двигатели, газораспределительный механизм которых включает в себя два распредвала, обозначается аббревиатурой DOHC. При использовании двух клапанов на цилиндр, каждый распределительный вал открывает свой ряд клапанов. Такое устройство ГРМ позволяет уменьшить инерцию коленчатого вала, и тем самым значительно увеличивает обороты и мощность ДВС. Принцип работы двигателя, использующего четыре и более клапана на цилиндр, ничем не отличается от вышеописанного. Подобные силовые агрегаты демонстрируют большую, чем у двухклапанных аналогов, мощность и устанавливаются на большинство современных автомобилей.
В двигателях с подобным типом газораспределительного механизма важную роль играет устройство привода распредвалов. В качестве передаточного элемента используется цепь, находящаяся в герметично закрытом объеме, и омывающаяся маслом, или зубчатый ремень, находящийся на внешней стороне двигателя.
Поломка привода ГРМ зачастую приводит к печальным последствиям. Оборвавшийся ремень, износившийся в процессе эксплуатации, вызывает мгновенную остановку распределительного вала, вследствие чего некоторые клапаны остаются в открытом состоянии. Удар поршня по выступающей тарелке наносит серьезные повреждения головке блока цилиндров. В особо тяжелых случаях ремонт невозможен и требуется замена данного элемента двигателя.
Устройство десмодромного газораспределительного механизма
Для двигателей, конструкция ГРМ которых допускает использование пружин для закрывания клапанов, существует ограничение по максимальному количеству оборотов в минуту. При достижении значения в 9000 об/мин пружины не смогут обеспечить нужную скорость срабатывания, что неизбежно приведет к поломке двигателя.
Принцип десмодромного ГРМ заключается в использовании двух распределительных валов, один из которых производит открытие, а второй, закрытие клапанов. В таком двигателе нет ограничения на развиваемые обороты, ведь скорость срабатывания механизма напрямую зависит от скорости вращения коленвала.
Создание газораспределительного механизма с изменяемыми фазами стало возможным относительно недавно, с началом использования в двигателестроении бортовых компьютеров и электронных управляющих блоков. Система электромагнитных клапанов, меняющая режим работы согласно команд микропроцессора, позволяет снимать с двигателя мощность, приближающуюся к расчетной, при минимальном расходе топлива.
Замена ремня ГРМ своими руками
Снимая изношенный ремень, и устанавливая на его место новый, легко изменить взаимное расположение коленчатого и распределительного валов. В этом случае сместятся фазы газораспределения двигателя, что приведет к нарушениям в работе, вплоть до поломки. Метки на шестернях приводного механизма служат для визуального контроля настройки ГРМ.
Сняв непригодный ремень, необходимо совместить метки шестерней коленчатого и распределительного валов с прорезями в кожухе приводного механизма. Назначение этой операции – установка условного «нуля», с которого и начнется работа двигателя. Далее следует аккуратно установить запасной ремень, стараясь не сместить метки на шестернях.
Следующий шаг – осмотр и регулировка усилия натяжного ролика. Назначение этого узла в удержании ремня на шестернях приводного механизма. Правильность регулировки ролика можно проверить, повернув натянутый ремень пальцами. Если удастся провернуть на девяносто градусов – натяжной механизм отрегулирован хорошо. Если ремень повернется на угол меньший, чем 90 градусов, то он перетянут, если на больший, то недотянут.
Очень важно при монтаже не брать ремень ГРМ промасленными руками. Это может привести к проскакиванию на шестернях приводного механизма.
Купленный на придорожной АЗС ремень следует тщательно осмотреть. При нарушении условий хранения, даже новый ремень привода ГРМ пойдет трещинами и не сможет быть использован по назначению.
, иллюстрирующее работу ГРМ
Нижнеклапанный двигатель, его плюсы и минусы — Плюс/минус
Гражданское моторостроение – это очень консервативная отрасль. Все те же коленчатый вал, поршни, цилиндры, клапаны, как и 100 лет назад. Удивительные бесшатунные, аксиальные и другие схемы никак не хотят внедряться, доказывая свою непрактичность. Даже двигатель Ванкеля, большой прорыв шестидесятых, фактически остался в прошлом.
Все современные «новшества», если присмотреться, лишь внедрение гоночных технологий пятидесятилетней давности, приправленное дешевой в производстве электроникой для более точного управления «железяками». Прогресс в строительстве двигателей внутреннего сгорания – скорее в синергии небольших изменений, чем в глобальных прорывах.
И жаловаться-то вроде бы грех. Про надежность и ремонтопригодность в этот раз не будем, а мощость, чистота и экономичность современных двигателей для человека из семидесятых годов показались бы истинным чудом. А если отмотать еще несколько десятилетий?
Сотню лет назад моторы были еще карбюраторные, с зажиганием от магнето, обычно нижнеклапанные или даже с «автоматическим» впускным клапаном… И ни о каких наддувах еще и не думали. А еще старые-старые двигатели не имели детали, которая сейчас является главным его компонентом – блока цилиндров.
Первые моторы имели картер, цилиндр (или несколько цилиндров), но блока у них не было.
Вы удивитесь, но основа конструкции – картер – частенько был негерметичным, поршни и шатуны были открыты всем ветрам, а смазывались из масленки капельным способом.
Да и само слово «картер» сложно применимо к конструкции, сохраняющей взаимное положение коленчатого вала и цилиндра в виде ажурных кронштейнов.
У стационарных двигателей и судовых подобная схема сохраняется и по сей день, а автомобильные ДВС все же нуждались в большей герметичности. Дороги всегда были источником пыли, которая сильно вредит механизмам.
Первопроходцем в области «герметизации» считается компания De Dion-Bouton, которая в 1896 году запустила в серию мотор с цилиндрическим закрытым картером, внутри которого размещался кривошипно-шатунный механизм.
На фото: мотор Де-Дион
Правда, газораспределительный механизм с его кулачками и толкателями размещался еще открыто – это было сделано ради лучшего охлаждения и ремонта. Кстати, к 1900 году эта французская компания оказалась крупнейшим производителем машин и ДВС в мире, выпустив 3 200 моторов и 400 автомобилей, так что конструкция оказала сильное влияние на развитие моторостроения.
…и тут появляется Генри Форд
Первая массовая конструкция с цельным блоком цилиндров до сих пор остается одной из самых массовых машин в истории.
Модель Ford T, появившаяся в 1908 году, имела четырехцилиндровый мотор, с чугунной головкой блока, нижними клапанами, чугунными поршнями и блоком цилиндров – опять же из чугуна.
Объем мотора был вполне «взрослый» по тем временам, 2,9 литра, а мощность в 20 л. с. еще долго считали вполне достойным показателем.
На фото: двигатель Ford T
Более дорогие и сложные конструкции в те годы щеголяли раздельными цилиндрами и картером, к которому они крепились. Головки цилиндров часто были индивидуальными, и вся конструкция из головки цилиндра и самого цилиндра крепилась к картеру шпильками. После появления тенденции к укрупнению узлов картер часто оставался отдельной деталью, но блоки по два-три цилиндра все еще были съемными.
В чем смысл разделения цилиндров?
Конструкция с отдельными съемными цилиндрами выглядит сейчас несколько необычно, но до Второй мировой войны, несмотря на нововведения Генри Форда, это была одна из наиболее распространенных схем.
У авиационных моторов и двигателей воздушного охлаждения она сохранилась и поныне. А у «воздушного оппозитника» Porsche 911 series 993 вплоть до 1998 года никакого блока цилиндров не было.
Так зачем же разделять цилиндры?
Цилиндр в виде отдельной детали – штука вообще-то достаточно удобная. Его можно сделать из стали или любого другого подходящего материала, например, бронзы или чугуна. Внутреннюю поверхность можно покрыть слоем хрома или никельсодержащих сплавов, при необходимости сделав ее очень твердой. А снаружи нарастить развитую рубашку для воздушного охлаждения.
Механическая обработка сравнительно компактного узла будет точной даже на достаточно простых станках, а при хорошем расчете крепления тепловые деформации будут минимальны. Можно сделать гальваническую обработку поверхности, благо деталь небольшая.
Если у такого цилиндра появился износ или другие повреждения, то его можно снять с картера мотора и поставить новый.
Минусов тоже хватает. Помимо более высокой цены и высоких требований к качеству сборки моторов с раздельными цилиндрами серьезным недостатком является низкая жесткость такой конструкции. А значит – повышенные нагрузки и износ поршневой группы. Да и с водяным охлаждением сочетать «принцип раздельности» получается не очень удобно.
Из мейнстрима моторы с раздельными цилиндрами ушли уже очень давно – минусы перевесили. К середине тридцатых годов в автомобилестроении подобные конструкции уже почти не встречались.
Разнообразные комбинированные конструкции – например, с блоками из нескольких цилиндров, общим картером и головкой блока – попадались на мелкосерийных люксовых авто с объемными моторами (можно вспомнить подзабытую марку Delage), но к концу 30-х это все вымерло.
Победа цельночугунной конструкции
Привычная нам сегодня конструкция победила благодаря своей простоте и низкой стоимости изготовления.
Большая отливка из дешевого и прочного материала после точной механообработки получается все равно дешевле и надежнее, чем отдельные цилиндры и тщательная сборка всей конструкции.
А на нижнеклапанных моторах клапаны и распределительный вал располагаются тут же, в блоке, что еще больше упрощает конструкцию.
Рубашка системы охлаждения отливалась в виде полостей в блоке. Для особых случаев можно было применить и отдельные гильзы цилиндров, но мотор на Ford T таких изысков не имел.
Чугунные поршни со стальными компрессионными кольцами работали прямо по чугунному цилиндру.
И кстати, маслосъемное кольцо в привычном нам виде там отсутствовало, его роль выполняло нижнее третье компрессионное, расположенное ниже поршневого пальца.
На фото: Ford Model T
Такая «цельночугуниевая» конструкция доказала свою надежность и технологичность за много лет производства. И была перенята у Форда такими массовыми производителями, как GM, на долгие последующие годы.
Правда, отливка блоков с большим числом цилиндров оказалась технологически сложной задачей, и многие моторы имели по два-три полублока с несколькими цилиндрами в каждом.
Так, рядные «шестерки» тридцатых годов иногда имели два трехцилиндровых полублока, а уж рядные «восьмерки» и подавно изготавливали по такой схеме.
Например, мощнейший мотор Duesenberg Model J был изготовлен именно так: два полублока были накрыты единой головкой.
На фото: двигатель Duesenberg J
Впрочем, к началу сороковых годов прогресс позволил создавать и цельные блоки такой длины. Например, блок Chevrolet Straight-8 «Flathead» был уже цельным, что снижало нагрузку на коленчатый вал.
Чугунные гильзы в чугунном же блоке тоже были достаточно удачным решением. Высокопрочный легированный химически стойкий чугун стоил дороже обычного, и отливать из него весь большой блок не имело смысла. А вот сравнительно небольшая «мокрая» или «сухая» гильза оказалась хорошим вариантом.
Освоенная в довоенные еще годы принципиальная конструкция моторов не меняется много десятилетий подряд. Блоки цилиндров многих современных моторов отлиты из серого чугуна, иногда со вставками из высокопрочного в зоне верхней мертвой точки.
Например, чугунный блок имеет вполне современный Renault Kaptur с мотором F4R, об обслуживании которого мы писали на днях. Чугун хорош, в частности, тем, что блок из него легко поддается капремонту расточкой цилиндров большего диаметра.
Если, конечно, производитель выпускает поршни «ремонтного» размера.
На фото: двигатель F4R
Правда, с годами блоки становятся все более «ажурными» и менее массивными. По ранним блокам цифры найти сложно, но давайте возьмем два семейства моторов с разницей чуть более чем в 10 лет. У блока серии GM Gen II середины 90-х толщина стенки моторов колебалась от 5 до 9 мм. У современного VW EA888 конца 2000-х – уже от 3 до 5. Но мы явно забегаем вперед…
Делаем блок легче
Утончение стенок, чем вовсю занимаются конструкторы в последние годы – это, как вы понимаете, не единственный способ снизить вес блока. В 20-30-е годы о экономии массы и топлива думали существенно меньше, чем сейчас, но первые попытки облегчения делались. И уже тогда додумались использовать алюминий.
На гоночных и спортивных машинах той эпохи можно было встретить симбиоз из алюминиевого картера и головки блока с чугунной отливкой блоков цилиндров. Затем прогресс в металлообработке позволил создать более удобный вариант подобного симбиоза.
Блок цилиндров оставался цельным, но отливался из алюминия, что снижало его массу в три-четыре раза, в том числе и за счет лучших литьевых качеств металла. Сами же цилиндры изготавливали в виде чугунных гильз, которые запрессовывали в блок.
Гильзы делились на «сухие» и «мокрые», разница в общем-то понятна из названия.
В блоках с сухой гильзой она вставлялась в алюминиевый цилиндр (или вокруг нее отливался блок) с натягом, а «мокрая» гильза просто закреплялась в блоке нижним концом, а при установке ГБЦ полость вокруг превращалась в рубашку охлаждения.
Второй вариант оказался перспективнее на тот момент, поскольку упрощал отливку и снижал массу деталей. Но в дальнейшем рост требований к жесткости конструкции, а также сложность сборки подобных двигателей оставили эту технологию «за бортом» прогресса.
Сухие же гильзы в алюминиевом блоке – это и сейчас самый распространенный вариант изготовления детали. И один из самых удачных, ведь чугунная гильза изготавливается из высококачественного легированного чугуна, алюминиевый блок жесткий и легкий. К тому же теоретически эта конструкция еще и ремонтопригодна, как и чугунные блоки. Ведь изношенную гильзу можно «вынуть» и запрессовать новую.
Что дальше?
Единственная принципиально новая технология последних лет – это еще более легкие блоки с напылением сверхпрочного и сверхтонкого слоя на внутреннюю поверхность цилиндров.
Подробно о плюсах и минусах, и даже о способах капремонта подобных конструкций я уже писал – повторяться смысла нет. Концептуально мы имеем все тот же ДВС образца 30-х годов.
И есть все основания полагать, что до конца «эры внутреннего сгорания», когда доведут до ума электромобили, моторы на жидких углеводородах останутся примерно такими же.
Источник:
Нижнеклапанный… дизель?!
?
Тимофей Славкин (tim_o_fay) wrote, 2017-10-15 00:18:00 Тимофей Славкин tim_o_fay 2017-10-15 00:18:00 Category: Всем здрасьте!Как заскорузлый ретроград и враг всяких «автоматически удорожающих» приспособлений я имею желание маленько потроллитьтех моих читателей, которые имеют счастье отличать цикл Отто от Дизеля, Рэнкина от Стирлинга и даже Аткинсона от Миллера.
- Пояснение: автор не является профессиональным мотористом, но автор есмь системотехник-самоучка, то естьприучился смотреть на проблему в комплексе, а не изучать глубоко отдельные аспекты, подобно тем слепцам из
- притчи про слона
.Для начала ролик, в котором мой ровесник (1965 года) дизелёк Ruston 1WB весело качает воду:[Кому стало интересно — прошу под спойлер]Да, одна из родовых болезней ГРМ с нижним расположением клапанов — очень трудно получить высокую степень сжатия.Ибо делаем больше клапана — растёт объём камеры сгорания и падает та самая СС.Делаем клапана меньше диаметром — ужимается сечение каналов газообмена, соответственно падает мощность.Можно ещё сделать двигатель очень длинноходным — получим увеличение нагрузки на детали КШМ и в лучшем случае ростмеханических потерь. И вес совсем уже неприлично вырастет.
Из известных мне классических SV (sidevalve) двигателей самый «зажатый» — это D-motor LF26 с геометрической СС 8:1 и
объёмом 2,7 литра. Несмотря на внушительный объём установочная масса движка без учёта жидкости и батарейки, но с генератором и стартёром составляет всего 58 кг! Очень и очень недурно.Но это же не дизель!Угу. Для работы на тяжёлом топливе его надо зверски наддуть (атмосферы 2 минимум).
Или ставить свечу накаливания — получится недурной полудизель.
Где нижнеклапанный дизель, трах-тибидох!? — возопит выведенный из себя велеречивостью автора читатель.
Ща будет :)Одноклапанный и нижнеклапанный дизель от фирмы Averican Diesel!Оно же схематично и с пояснениями:Ну и вид сверху схематично:Кроме American Diesel одноклапанными конструкциями тогда баловались многие, даже авиамоторы были с одним клапаном,правда почему-то с верхним.Естественно с внутренним смесеобразованием, дабы не раскидывать топливо мимо цилиндров.
С дизелем Packard DR-980 в 1931 году самолётик Bellanca CH-300 Pacemaker продержался в воздухе без дозаправки 84 часа
33 минуты. Рекорд был побит только в 1986 году «Вояджером» Берта Рутана. Имеется ввиду рекорд продолжительности,а не дальности полёта.Плюшки у этой конструкции следующие:1. Деталей ГРМ вдвое меньше.2. Клапану работается легче, его воздухом на впуске охлаждает, а не только выхлопом жарит.3. Можно устроить нижнеклапанный дизель :)Минусы одноклапанников:1. Прикрутить к нему глушитель с трудом ещё можно, а вот турбину уже нет.2.
Приводной нагнетатель тоже не поставишь.3. Ну не в тренде это нынче! Сейчас в моде миниатюрные истеричные жужжалки, а не почтенные надёжные низкооборотныемоторы.А как с малого объёма мощу снять? Правильно! 4 клапана на цилиндр, верхние распредвалы (инерцию снизить, обороты задрать) и турбонаддув вкрячить.Получаем аццки перефорсированные капризные моторчики, что и требуется произвредителю.
Главное чтоб гарантийный срок отбегали, а там чем раньше подохнут — тем лучше.
Расположение распредвала в двигателе
Время прочтения:
Распределительный вал газораспределительного механизма или «распредвал» отвечает за открытие и закрытие клапанов в четырехтактных двигателях внутреннего сгорания. От формы и исполнения распредвала сильно зависят конечные динамические показатели вашего автомобиля. Распредвалы устанавливаются на все типы ДВС. Во многих двигателях распредвал передает движения для работы масляного и топливного насосов.
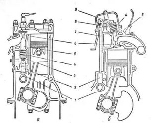
Существует два вида двигателей внутреннего сгорания: двигатели с верхним расположением распредвала и с нижним. До 1950-х годов двигатели автомобилей в основном были нижнеклапанными. Распределительный вал располагался в нижней части двигателя, клапаны устанавливались тарелками вверх. Такие двигатели были более дешевыми в производстве, но и менее производительными. Затем от такой схемы отказались и пришли ко всем нам привычной головке цилиндров с установленным в ней распредвалом и клапанами, открывающимися вниз. Однако, на некоторых современных двигателях до сих пор действуют нижневальные системы с верхним расположением клапанов.
ГБЦ с верхним расположением распредваловРазрез двигателя с нижним расположением распредвалов
Нижневальный двигатель отличается тем, что в нем дополнительно устанавливаются штанги, компенсирующие расстояние от кулачков распредвала до толкателей клапанов в головках цилиндров.
Газораспределительные механизмы с верхним расположением клапанов:а — с нижним расположением распределительного вала: 1 — распределительный вал; 2 — толкатель; 3 — штанга; 4 — ось коромысел; 5 — коромысло; 6 — пружина; 7 — клапан;
б — с верхним расположением распределительного вала: 1 — винт; 2 — контргайка; 3 — коромысла; 4 — распределительный вал.
Более ранние модели двигателей имеют один распредвал, на котором расположены кулачки для открытия/закрытия клапанов на впуск и на выпуск. На современные производительные двигатели устанавливаются отдельно впускной и выпускной распредвал.
Принцип работы распредвала
Распределительный вал имеет особую форму: на типичном цилиндрическом валу расположены кулачки и шейки распредвала. Подшипник распредвала имеет форму втулки либо вкладыша и принудительную систему смазки.
Втулка и вкладыши распредвала
Распредвал совершает вращение вместе с коленчатым валом двигателя, но вращается в 2 раза медленней. Для вращения распредвала используются цепные, ременные, зубчатые передачи. Благодаря форме кулачков распредвала формируются фазы газораспределения, клапана открываются в нужный момент, обеспечиваются условия работы двигателя. Изменяя геометрию кулачков, можно добиться улучшения работы двигателя.
Распредвал Nissan Patrol1 — болты; 2 — приводная шестерня распределителя; 3 — шайба; 4 — звездочка распредвала; 5 — упорная пластина; 6 — шпонка; 7 — рабочий выступ кулачка; 8 — распределительный вал;
9 — опорная шейка распредвала.
Через различные толкатели, рокеры, либо почти напрямую через гидрокомпенсаторы кулачок распредвала нажимает на подпружиненный клапан, открывая его. Далее, проходя вершину кулачка, клапан открывается на максимальное расстояние и плавно закрывается проходя по обратной его части. Геометрия кулачков распредвала позволяет относительно плавно взаимодействовать с толкателями клапана, от их формы зависит характеристика распредвала.
На распредвале кулачки расположены под особыми углами, благодаря чему и формируются фазы газораспределения. На разных двигателях углы фаз могут немного отличаться. Например, если сравнивать бензиновый двигатель и дизель, стандартные распредвалы, рассчитанные на городскую езду, будут иметь похожее строение.
Если рассматривать спортивный распредвал, созданный для быстрой, динамичной езды, в отличие от обычного, он будет иметь более широкий профиль, что позволит, например, раньше открывать клапан, дольше держать его открытым. Такие валы улучшают динамику, но сказываются на экономичности двигателя.
На двигателях с ЭБУ устанавливается датчик распредвала. Это устройство постоянно определяет его положение, что позволяет синхронизировать электронные системы подачи топлива с работой клапанов.
: Особенности
Привод распредвалаГеометрические формы кулачков
Отдельно стоит остановиться на шестернях распредвалов. Механизм ГРМ требует точной их настройки. Зачастую достаточно выставить элементы по «контрольным точкам». Для более точной настройки работы распредвала существует разрезная шестерня распредвала. Принцип в том, что зубцы шестерни фиксируются на болтах относительно ее основания. Открутив болты можно, корректировать положение шестерни на 5-10º, что позволяет выставить ГРМ в более оптимальное положение.
Разрезная и простая шестеренки распредвала двигателя ВАЗ 2106
На современных дорогих двигателях этот процесс автоматизирован, применяются муфты распредвала с гидравлическим управлением. Датчик положения распредвала сообщает бортовым компьютерам текущий угол и обороты, что позволяет управлять фазами газораспределения, корректировать их для разных режимов двигателя.
ГРМ с гидроуправляемыми муфтами
Эксплуатация и ремонт распредвалов
Распределительный вал— деталь достаточно надежная, которая «проходит» как минимум, до первого серьезного ремонта двигателя. В случае, если у вас классическая модель двигателя без гидрокомпенсаторов, через каждые 10-15 тысяч километров необходимо контролировать зазоры распредвала с рокерами, выполнять их настройку. Во всех типах двигателей следует контролировать натяжку ремня или цепи ГРМ. Подобные узлы имеют ограниченный ресурс работы. Со временем цепи могут растягиваться и задевать в работе блок двигателя.
Неисправности распредвалов
Распредвалы, как и все «трущиеся» детали, подвергаются механическому износу. Также приходят в негодность подшипники, может разрушится и потерять форму сальник распредвала. Поломка распредвала может в последствии вывести из строя другие механизмы двигателя.
Причинами подобных проблем могут быть:
- естественный износ распредвала;
- низкое качество масла;
- недостаточное давление масла;
- недостаточный уровень масла;
- нарушения температурных режимов работы двигателя (вне рабочего диапазона температур масло становится жидким и частично теряет свои свойства);
- механические повреждения, например натяжной ролик и ремень распредвала имеют ограниченный срок эксплуатации, при разрыве ремня ГРМ двигатель и распредвалы могут получить значительный урон.
Диагностика и ремонт распредвала
Возможные проблемы с распредвалом выдает шум при его работе. Причиной шума может быть подшипник распредвала, требующий замены.
Если стучит распредвал, вероятней всего, выработка рабочих поверхностей привела к критичным люфтам. Обычно валы имеют допуски на размер выработки и искривления. В случае возникновения шумов необходимо выполнить замеры поверхностей распредвала. Стук распредвала — повод срочно обратится в сервисный центр.
Падение давления масла в двигателе также может указывать на износ распредвала.
Замер диаметра шеек распредвала микрометром
Если появилась ошибка ЭБУ о нарушении сигнала дпрв (датчик положения распредвала), то необходимо проверить сам датчик. Со временем датчики могут выходить из строя, либо проблема только в контактах, загорается «чек». Замена датчика распредвала точно решит проблему, ошибка должна погаснуть.
Как проверить распредвал? Самый надежный способ — снять распредвалы. Если они имеют явные, ощутимые задиры и полосы, необходимо восстановление либо замена. Для определения точных значений выработки потребуются микрометры различных модификаций. В случае, если ремонт неизбежен, необходимо выполнить полноценную диагностику головки блока цилиндров и всех узлов ГРМ.
: Пару слов о щелочном электролите
Выработка на шейке распредвала
Как восстановить распредвалы? Распредвалы, имеющие допустимые размеры выработки и кривизны, подлежат восстановлению. В случае относительно небольшого износа вал лишь немного корректируют шлифовкой. При более значительном износе на поверхности наносится гальваническое напыление хрома или железа.
Когда требуется значительное восстановление, выполняется наплавка металла с помощью газовой либо электродуговой сварки. После выполняется точная подгонка поверхностей контакта. Постель распредвала (место, куда устанавливается распределительный вал) протачивается на специальном станке либо вручную с помощью «разверток». Все элементы тщательно шлифуются, доводятся до номинальных размеров.
Подобные процедуры требуют серьезных знаний технологии процесса и наличия специального оборудования.
Различные развертки для посадочных мест шеек и подшипников распредваловНаплавленные кулачки распредвалов перед шлифовкой
Замена распредвала
Как установить новый распредвал самому? Замена распредвала — сложная процедура, но, если вы обладаете необходимыми знаниями и навыками, такую операцию можно выполнить и в условиях домашней мастерской. До начала работ тщательно изучите узлы и механизмы двигателя, и узнайте, как снять его элементы.
Заменить распределительный вал можно двумя способами: снимая или не снимая головку блока цилиндров. Если решитесь «снять голову», учитывайте необходимость покупки новой прокладки.
Головка блока цилиндров ВАЗ 2106
1 — головка цилиндров; 2 — распределительный вал; 3 — задний корпус подшипников распределительного вала; 4 — прокладка; 5 — крышка головки цилиндров; 6 — передний корпус подшипников распределительного вала; 7 — сальник распредвала
Замена распредвала двигателя ВАЗ 2106
1. Снимаем кожух воздушного фильтра и сам фильтр (он будет мешать работе). Для этого необходимого открутить гайки шпилек кожуха фильтра.
2. Демонтируем крышку головки блока цилиндров (она же «клапанная крышка»).
3. Отгибаем край стопорной шайбы-звездочки распредвала.
4. Ослабляем цепь ГРМ. Для этого необходимо монтировкой ослабить гайку натяжителя изнутри кожуха и зафиксировать его положение затяжкой гайки.
5. Необходимо поставить коленчатый вал в положение 3 — длинная риска (соответствует окончанию сжатия в четвертом цилиндре), а метку звездочки распределительного вала нужно совместить с меткой постели.
Схема меток шкива коленчатого валаЗвездочка распредвала совмещена с меткой
6. Снять болт звездочки распредвала.
7. Цепь и звездочку увязать проволокой, снять звездочку, уложить цепь в блоке.
8. Открутить крепеж корпуса распредвала и снять его со шпилек.
9. Сняв крепеж, демонтировать упорный фланец.
10. Достать распредвал из корпуса.
11. Собрать детали и узлы в обратном порядке. Затягивание болтов следует выполнять, соблюдая порядок и контролируя момент затяжки.
Положение шпонки при сборке
На сегодняшний день распредвал остается незаменимой деталью. При надлежащей эксплуатации он может прослужить вам в течении всего срока эксплуатации двигателя. Установка распредвала без проверки и доработки поверхностей может привести к ускоренному его износу. С заменой распредвала рекомендуют поменять другие элементы, работающие с ним в контакте.
Нижнеклапанный двигатель принцип работы — Спецтехника
Четырехтактный двигатель внутреннего сгорания – наиболее распространенный силовой агрегат, использующийся в современном автомобилестроении.
Свое название он получил по количеству фаз, необходимых для осуществления одного цикла работы, или поворота коленчатого вала на 720 градусов.
Фаза впрыска топлива или топливно-воздушной смеси, сжатие рабочего тела поршнем, рабочий ход и выпуск отработанных газов.
В модели идеального двигателя все фазы разнесены во времени, перекрытие между ними отсутствует, что, в свою очередь, обеспечивает получение максимально возможных рабочих значений мощности, крутящего момента и оборотов двигателя.
На практике, к сожалению, дела обстоят несколько хуже. Устройство газораспределительного механизма, отвечающего за исполнение фазы впрыска топлива и удаление выхлопных газов, его схема и принцип работы – основная тема данной статьи.
Блок цилиндров: как он появился, развивался и зачем вообще нужен — Колеса.ру
На первый взгляд, поставленный в заголовке вопрос выглядит бессмысленно.
Что значит «зачем вообще нужен блок цилиндров»? Он представляется как некая вечная данность, как основа всего и вся.
А ведь у первых автомобилей с ДВС никакого блока цилиндров не было! Сейчас, долгими январскими вечерами, самое время вернуться к самым-самым истокам, вспомнить «лихие 30-е» и проследить эволюцию от примитивных конструкций конца XIX века до современных алюсиловых моторов. И убедиться, насколько много общего они имеют.
Гражданское моторостроение – это очень консервативная отрасль. Все те же коленчатый вал, поршни, цилиндры, клапаны, как и 100 лет назад.
Даже двигатель Ванкеля, большой прорыв шестидесятых, фактически остался в прошлом.
Все современные «новшества», если присмотреться, лишь внедрение гоночных технологий пятидесятилетней давности, приправленное дешевой в производстве электроникой для более точного управления «железяками». Прогресс в строительстве двигателей внутреннего сгорания – скорее в синергии небольших изменений, чем в глобальных прорывах.
И жаловаться-то вроде бы грех.
Про надежность и ремонтопригодность в этот раз не будем, а мощость, чистота и экономичность современных двигателей для человека из семидесятых годов показались бы истинным чудом. А если отмотать еще несколько десятилетий?





