Как установить противотуманные фары (птф) на ладу калину своими руками, схема подключения противотуманок и инструкция с видео
Противотуманные фары (противотуманки) — это дополнительные источники света, применяемые на транспортных средствах. Благодаря им водитель лучше видит дорогу в любое время суток в условиях плохой видимости из-за погоды (туман, снег, дождь).
Их устанавливают на транспорт вместе с основными фарами. Водители должны иметь в виду, что такие фары не заменят ближний свет, так как у них небольшая дистанция освещения.
Наиболее эффективные фары с желтым свечением — они более заметны в темноте, не слепят встречных автомобилистов и лучше освещают туман. Противотуманки это отдельные световые приборы в собственном корпусе. Они монтируются чуть ниже основных фар.
Главное свойство таких фар — распределение светового потока. Противотуманки есть не в каждом автомобиле, их приходится докупать.
Плохие метеоусловия всегда были испытанием для водителей. Они ухудшали обзор водителя и мешали правильно оценивать дорожные условия. Многие водители, на свой страх и риск, ездили на большой скорости без противотуманок — в итоге, многие попали в ДТП. Главный помощник, который создает безопасность в таких условиях — это светосигнальная система автомобиля.
Противотуманные фары освещают дорогу всего на 10 метров, но и этого вполне достаточно для безопасного передвижения. Также они подсвечивают обочину дороги (что очень выручает на извилистых дорогах) и дорожную разметку.
Такие фары выручают и без тумана, в темноте они прекрасно видят узкую дорогу с резкими поворотами. Некоторые автомобилисты устанавливают сзади противотуманный красный фонарь, который очень приметен издалека.
Как установить комплект противотуманок своими руками + схема
Чтобы сэкономить время на демонтаж бампера мы покажем, как проводить замену не снимая его.
- При установке правой фары поворачиваем руль до предела в эту сторону – так увеличивается рабочее пространство.
- Снимаем передний грязезащитный щиток.
Поворачиваем руль вправо и снимаем щиток
- Изнутри открываем защёлки, которые фиксируют старые ПТФ или заглушки.
- Демонтируем заглушку.
- Закрепляем новую фару изнутри на 3 самореза.
Прикрепляем фару на 3 самореза изнутри
- Устанавливаем новую рамку. Для этого плотно прижимаем её к бамперу до щелчка.
- То же самое делаем с левой фарой.
На этом сама установка оптики закончена. Теперь подключаем фары, используя приобретённый заранее монтажный набор.
Нюансы подключения ПТФ на Калине
Процесс подключения немного сложнее монтажа оборудования и требует внимательности при работе. Рекомендуем сразу качественно проложить все провода из подкапотного пространства в салон Лады, чтобы они не мешали и не путались под ногами.
- Подсоединяем жгут к правой и левой противотуманным фарам и закрепляем провод «массы» на корпус.
- Плюсовой провод подключаем к аккумуляторной батарее.
- Далее протягиваем жгут в салон через стандартное отверстие в левом крыле машины.
- Когда жгут протянут в салон, потребуется снять пепельницу, открутив 4 небольших болта.
Протягиваем жгут в салон и снимаем пепельницу
- Через образовавшееся пространство изнутри выталкиваем заглушки кнопок передней панели приборов.
- Вытягиваем на себя ручки регулирования обдува.
Вытягиваем ручки управления обдува
- Отодвинув накладку панели, выталкиваете заглушку кнопки включения кондиционера и вместо неё устанавливаете включатель ПТФ.
Монтируем кнопку включения ПТФ на место заглушки
- Соединяем провода коннекторами, что идут в комплекте монтажного набора.
Соединяем провода с помощью коннекторов
- Подсоединяем два длинных провода к монтажному блоку передней панели.
- Соединяем жгут от кнопки с монтажным боком и выдвигаем его в салон, насколько возможно.
Выдвигаем монтажный блок
- Теперь у нас в одном месте находятся 2 провода, которые идут от кнопки, и 3 провода из-под капота.
- Соединяем провода, предохранители и реле, как показано на схеме.
Соединяем провода, используя схему подключения
- Проверяем работу оптики и, если схема подключена верно, изолируем соединения и устанавливаем на место монтажный блок.
- Проводим сборку элементов панели в обратном порядке.
Рекомендуем: Как избавиться от воздушной пробки в системе охлаждения?
Монтаж ПТФ
Если вами куплены фары в полной комплектации, то интеграция их в передний бампер не составит особых трудностей.
Вам нужно будет только:
- Установить ПТФ в штатные места;
- Закрепить их с помощью саморезов;
- Установить в фары лампы накаливания;
- Подключить штекер и вывести провода в подкапотное пространство.
Совет! Для дополнительной защиты стекол закажите изготовление наклеек на фары. Эта прозрачная пленка способна уберечь противотуманки от камней и веток растений.
Установка ПТФ своими руками
Для работы потребуется:
Рекомендуется работы производить на снятом бампере. Так будет удобнее. Можно также монтировать фары и прямо на автомобиле. После установки обязательно проверить качество работы, отрегулировать фары, чтобы не слепить встречных водителей.
- Руль требуется выкрутить до упора.
- Снять защиту от грязи в колесной арке.
Выкручиваем все болты, и аккуратно снимаем защиту
- Отщелкнуть защелки на заглушках, которые стоят на месте противотуманок, и вытянуть их.
- Изнутри к бамперу фара крепится тремя саморезами.
3 самореза крепления лампы ПТФ
- Снаружи, после закрепления фар, установить декоративный щиток. Крепится он при помощи защелок.
Без декоративной накладки
Теперь с накладкой
Такие же действия следует произвести и с другой стороны авто. На этом работу по установке противотуманок на Лада Калина можно считать законченной.
Подключение ПТФ к проводке автомобиля
Схема подключения ПТФ к электрике на Лада Калина
Изначально провода надо подключить к самим фарам. «Масса» также прикручивается к корпусу авто. «Плюс» подключается к аккумулятору согласно схеме. Провода протягиваются через подкапотное пространство к салону.
Тянем проводку в салон
Делать это надо вдоль левого крыла, где расположены штатные крепления для проводов. Перед этим надо снять подкрылок для облегчения работы.
Внедряться будем сюда
Подключение противотуманных фар в салоне
- Демонтировать пепельницу, открутив болты крепления (4 шт).
- Далее надо вытянуть через образовавшийся проем панель, на которой находятся заглушки кнопок.
Снимаем консоль для удобства прокладки проводов, можно просунуть их и так
- Снять регуляторы температуры.
- Вместо кнопки включения/выключения кондиционера (или заглушки) ставится кнопка для управления фарами. Короткие провода надо соединить с такими же по цвету, которые идут на обогрев стекла сзади. Длинные провода подсоединяются к монтажному блоку. Сам монтажный блок надо попытаться выдвинуть в салон настолько, насколько это возможно.
Отдельная кнопка включения ПТФ в салоне
- Подключаются предохранители и реле согласно схеме.
Подключение к МУС (модуль управления светом). Теперь ПТФ можно включить только тогда, когда включены габариты, и при выключении зажигания ПТФ будут гаснуть автоматически, всё по «закону»
- После этого все соединения надо заизолировать.
Рекомендуем: 12 лучших предпусковых подогревателей
Далее производится сборка деталей в обратной последовательности их снятия. На этом работу можно считать завершенной.
Покраска в цвет автомобиля
- Шкурим.
Зашкуриваем поверхность накладки
- Грунтуем.
Наносим грунт и ждём пока он высохнет
- Красим.
Красим в цвет. У меня получилось вот так.
Установка противотуманных фар
Для начала нужно приобрести набор ПТФ (2 фары + 2 рамки) и набор для установки ПТФ (реле ПТФ, кнопка включения, провода, саморезы, коннекторы и инструкция).
Кроме этого понадобятся:
- отвертки крестовая и плоская;
- гаечный ключ на 8 и 10;
- щипцы;
- изолента;
- нейлоновые стяжки.
Универсальная пошаговая инструкция по установке ПТФ на Ладу:
- Открутить крепительные детали и стянуть бампер.
- Отогнуть защелки плоской отверткой и достать заглушки. Прикрепить каждую противотуманную фару 3 саморезами.
- Внутри машины под педалью сцепления вытолкнуть уплотнитель и вытянуть провода ПТФ.
- Добавить провода ПТФ к основным, остальные провода закручиваем стяжками.
- Минусовые клеммы крепим к болтам на кузове автомобиля.
- Установить управляющую кнопку с реле на приборную доску, подключить к реле розовый провод из блока предохранителей.
- Предохранитель должен быть на 15 А. К нему и проводам ПТФ подключаем силовые контакты реле 30 и 87.
- Проверить правильность установки и включить фары кнопкой. Если все сделано правильно — фары горят.
- Аккуратно собрать бампер, дабы не зацепить провода и не растерять деталей. Перепроверить работоспособность системы освещения.
Что нужно для установки и подключения
Стандартные ПТФ входят в некоторые комплектации Калины, они установлены на нижнем бампере. Не всегда качество освещения стандартной оптики оптимальное – многие механики рекомендуют приобрести более качественный комплект и установить его на автомобиль. Конструкторы предусмотрели возможность замены таких фар, для ремонта не потребуется полностью снимать передний бампер.
Какие ПТФ лучше поставить
Производители предлагают разные комплекты оптики по цене и качеству. Стоит отметить наиболее подходящие варианты для Калины:
- Оптика Bosch имеет плоское стекло и продаётся в комплекте из 2 приборов. Имеет высокое качество сборки и долгий срок службы.
- Фары Киржач можно приобрести по одной – здесь используют выпуклое стекло в форме линзы.
- Противотуманки Луч имеют неплохое качество, но в конструкции не предусмотрен клапан запотевания.
- Фары ProSport, несмотря на страну-производителя Китай, имеют хорошее качество при невысокой цене.
ПТФ разных фирм производителей отличаются по цене и качеству
Совет: Стоит отметить, что отечественные производители практически не уступают по качеству изделий иностранным компаниям. Они также дают неплохую гарантию на свои приборы.
Инструменты и материалы
Кроме самой оптики? вам потребуется приобрести монтажный набор для подключения. В него входят:
- реле;
- включатель фар;
- несколько проводов с разъёмами;
- соединители;
- саморезы;
- инструкция со схемой установки.
Все необходимое входит в монтажный комплект для подключения ПТФ
Рекомендуем: Замена колодок на Ваз 2107
На комплекте должна быть специальная маркировка 1119. Она означает, что все детали предназначены для установки в подготовленное место монтажного блока.
ПТФ могут продаваться с внешними рамками или без них. Перед установкой рамки необходимо покрасить под цвет кузова или приобрести уже готовые в подходящей цветовой гамме. Из инструмента понадобится стандартный гаечный ключ на 8 и хорошая отвёртка. Работы можно проводить как при установленном переднем бампере, так и при снятом.
Подготовка к работе
Прежде чем отправляться в магазин автозапчастей и выбирать противотуманные фары (ПТФ), владельцам автомобилей следует знать, что порядок их установки регламентирован Правилами дорожного движения.
В частности, установка ПТФ на автомобиле должна осуществляться в местах, указанных автопроизводителем.
Применительно к продукции проводки АвтоВАЗа схема подключения противотуманных фар на Калине подразумевает их установку в переднем бампере:
- Для этого в нем есть специальные места, прикрытые пластиковыми заглушками;
- Комплектация покупных фар должна иметь все необходимые элементы для правильного подключения (проводку, клеммные колодки, кнопку включения, плавкий предохранитель и реле).
Посадочное место под ПТФ в переднем бампере Лада Калина
Обратите внимание! Покупные фары всегда меньше по размеру, чем штатное место для установки. Поэтому, в комплекте с ПТФ должны быть и пластиковые подфарники.
Что можно приобрести для Калины
Большое разнообразие противотуманок для автомобилей поражает воображение своим видом и формами:
- Круглые;
- Овальные;
- Квадратные;
- Сдвоенные;
- Утапливаемые;
- Для наружной установки и т.п.
Не все ПТФ подходят для Лада Калина, что вынуждает владельцев переделывать крепление своими руками
Тем не менее, для Лада Калина подходят только несколько ПТФ, выпускаемых разными производителями.
В частности, это:
- Продукция компании Bosch, отличающаяся плоским стеклом фар и продающаяся только попарно;
- Противотуманки «Киржач» с линзообразным (выпуклым) стеклом;
- Противотуманки «Луч» – аналог немецкой продукции. Цена более низкая, но и качество тоже;
- Продукция китайских компаний под торговой маркой ProSport.
Обратите внимание! Указанный перечень не является экспертным. Просто продукция перечисленных фирм устанавливается в штатные места Лада Калина безо всяких дополнительных переделок. А комплектация наборов подобрана исключительно для данной модели АвтоВАЗа.
ПТФ ProSport в комплектации «хром»
Как можно установить
Существует 2 способа установки противотуманок на автомобиль Лада Калина:
- Без снятия переднего бампера;
- Со снятием бампера.
Совет! Если вы не обладаете достаточными навыками работы с пластиковыми деталями, то лучше полностью снимите бампер. Таким способом вы убережете его от обламывания защелок и крепежных элементов по неосторожности.
Заводская инструкция подробно информирует обо всех точках крепления переднего бампера
Противотуманные фары на Ладу Калина: установка, электрическая схема
Главное предназначение противотуманных фар понятно каждому – это освещение дороги в условиях плотного тумана. Поскольку они располагаются ниже, чем обычные фары освещения, то и дают возможность освещать дорогу на более низком уровне. Однако они могут быть полезны не только в условиях тумана, но и при любой плохой видимости.
Противотуманные фары для Калины можно установить и без помощи профессионалов, так как процесс достаточно прост, и, соблюдая простые рекомендации, вы гарантированно добьетесь отличного результата. В данном обзоре мы рассмотрим как особенности монтажных работ, так и критерии выбора качественных ПТФ и основные правила настройки света, чтобы он был максимально эффективным и не слепил встречных водителей.
У данного экземпляра уже установлены ПТФ на заводе
А если вам приходится хотя бы периодически выезжать за черту города, то с их помощью вы сможете обозначить свое транспортное средство для других машин, участвующих в движении. Автомобиль приобретает заметность, поскольку «противотуманки» обладают широким спектром распределения света. Эти принципы позволят лучше понять, как произвести самостоятельно подключение противотуманных фар на Калину.
Какие выбрать фары
Заводская технология предусматривает монтаж фар в люксовой комплектации. Ведь на сегодняшний день такие изделия выпускаются многими производителями, большими и мелкими.
В торговой сети можно встретить следующие виды изделий:
- Продукция под брендом Bosch продается всегда в комплекте (2 шт.) и отличается достаточно прочным стеклом и хорошим качеством светового потока. Можно сказать, что это самый надежный вариант, но и его цена заметно выше всех остальных аналогов.
- ПТФ производства компании «Луч» во многом схожи с вышеописанными, но на самом деле их качество заметно уступает первому варианту. Единственное преимущество – более низкая стоимость.
- Противотуманные фары Киржач на Калину имеют линзообразные выпуклые стекла, что позволяет концентрировать световой поток и направлять его именно туда, куда требуется. Довольно добротное и надежное решение.
- Изделия под брендом ПроСпорт и другими подобными марками выпускаются китайскими заводами. Судить об их надежности и качестве сложно, так как один вариант может быть отличным, а второй выйдет из строя за очень короткий срок.
Продукция концерна Бош и здесь на ведущих ролях
Совет: лучше останавливать свой выбор на изделиях, которые изготавливают в Рязани и Киржаче. Они все-таки имеют больший ресурс службы по сравнению с китайскими аналогами и не такие дорогие как западные аналоги.
Вопрос, какие противотуманные фары лучше на Калину, вызывает ряд споров, поэтому решение за вами. Как показывает практика, самые популярные варианты — это Бош и Киржач.
Важно! Все из вышеперечисленных вариантов отлично подходят для установки, и вам не придется производить какие-либо переделки в конструкции.
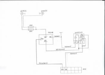
Электрическая схема для подключения противотуманных фар на Ладу Калина
Если вы хотите установить «противотуманки» своими руками, вам понадобится схема подключения противотуманных фар на Калину.
Съема подключения самих противотуманных фар (кликабельная):
Общая цветная схема электрооборудования (кликабельная 2000х1340) для Лады Калина:
Особенности проведения монтажа и настройки: подробная инструкция
Как отмечалось выше, противотуманные фары Лада Калина можно поставить и своими руками, для этого не нужно специальное оборудование и приспособления, все весьма просто.
Порадуем автолюбителей тем, что ни вырезать, ни сверлить бампер не понадобится. Просто снимаем защитные заглушки, а накладки разработаны таким образом, чтобы они совпадали с вырезами на бампере.
Что нужно иметь под рукой
Для выполнения работ вооружимся следующими предметами:
- ключами на 8 и 10;
- отвертками плоскими и крестообразными;
- ключом на 6 граней, регулирующим распространение света;
- изолентой, кусачками, плоскогубцами (возможно, паяльником);
- стяжками для крепления проводки и куском прочной проволоки из стали;
- собственно, фарами;
- самое главное, что понадобится для ремонта — комплект для подключения противотуманных фар на Калину.
Кнопка, реле и провода с разъемами
Несмотря на то, что заглушки, которые входят в комплектацию, обычно черного цвета, вы можете покрасить их под цвет кузова, как только пожелаете. Качественные противотуманки обычно оснащены неплохими по свои характеристикам лампочками Philips.
Комплект, куда входит кнопка включения противотуманных фар Калины, а также провода, колодки и разъемы, реле включения потребуется приобрести отдельно. Однако в случае, если в вашей машине есть кондиционер, то и место под кнопку автоматически занято.
Совет: В таком случае приобретайте отдельно кнопку прямоугольной формы и устанавливайте ее в соответствующее отверстие рядом с прикуривателем.
Детали для установки в передний бампер
Последовательность выполнения работ
Штатные противотуманки оснащаются патроном типа Н11. Поэтому вся установка будет связана с демонтажом переднего бампера, после чего нужно будет тянуть в салон проводку в машине от фар. Устанавливаем кнопку включения фар и подключаем питание.
Первый этап как и в ряде других электроработ, наши действия начинаются с отключения питания от АКБ (клемма «минус»).
Далее приступаем к монтажу и в целом инструкция по монтажу выглядит так:
- Вначале откручиваются крепления бампера, все точки крепления вы можете найти в руководстве по эксплуатации, саморезы расположены как вдоль решетки, так и под арками. Чтобы освободить конструкцию, боковые части слегка выводятся из-под арок.
Чтобы снять крепеж бампера, следует снять защелки, фиксирующие решетку (зеленые стрелочки)
- Далее с помощью плоской отвертки из конструкции вынимаются заглушки, после чего можно прикреплять сами фары, которые чаще всего идут в обрамлении по размеру отверстия. Крепление не вызовет затруднений, это производится с помощью трех саморезов, главное – сделать все аккуратно, чтобы конструкция стояла ровно и была зафиксирована максимально прочно и надежно.
- Следующий этап – прокладка жгута проводов, которые идут в комплекте. Делается это из салона: вначале снимается коврик, и в районе педали сцепления можно найти большой пучок проводки и заглушку. Заглушка продавливается, чтобы освободить отверстие, после чего жгут привязывается к куску проволоки и протягивается под капот, на фото показано, где находится заглушка.
- С помощью пластиковых хомутов провода прикрепляются к основному пучку, после чего жгут протягивается по левой стороне и вдоль переднего бампера так, чтобы узлы подключения располагались недалеко от места расположения ПТФ. Важно, чтобы провода были закреплены и не болтались.
Собираем фару полностью
Продолжаем наш алгоритм установки ПТФ:
- сохраняем требуемую длину для противотуманок и начинаем прикручивать к болтам отрицательные клеммы. Можно использовать для этого любые болты, располагаемые на металлических частях кузова, кроме болтов крепления картера двигателя, поскольку через них отсутствует нормальный контакт между защитой и кузовом машины;
- под решеткой радиатора удобнее будет протянуть провод к правой фаре;
Важно! Не спешите прикручивать бампер, если вдруг что-то сделано не так, вам не придется вновь разбирать конструкцию.
Присоединение проводов
- в случае необходимости удлинения проводов делайте скрутку, а лучше даже пропаяйте это место и заизолируйте;
- мощность, которую потребляют противотуманки, требует подключения через реле, которое управляется кнопкой (см. фото);
- реле лучше всего установить под панелью, и не забудьте надежно зафиксировать конструкцию;
- возьмите питание от розового проводка, что ведет к блоку предохранителей (реле К7). Оно предназначено для включения дальнего освещения, а напряжение на нем появляется только при включенном зажигании;
Реле управляет работой всей системы
- используем предохранитель на 15 Ампер;
- для подключения ПТФ используются контакты 30 и 87, все соединения должны быть оборудованы клеммами для обеспечения наилучшего контакта.
- контакты от реле посредством проводов с сечением не меньше 0,75 мм подключаются к проводам противотуманных фар и к реле;
- после выполнения всех подключений необходимо проверить как мы собрали наш комплект и есть ли питание в цепи. Для этого подсоединим массу автомобиля и проверим, как светят фары при включении от кнопки;
Бампер с установленной фарой
- осталось в обратном порядке собрать бампер, наблюдая при этом, чтобы не произошло нигде защемления проводов. Цена и степень сложности такого ремонта будут под силу любому владельцу Калины. Для того, чтобы произвести регулировку света фары, снизу есть доступ к регулировочному винту.
Линзованные изделия светят особенно ярко, и после настройки вы по достоинству оцените их эффективность
Для наилучшей эффективности в условиях ограниченной видимости нужно настроить свет, сделать это довольно просто:
- Перед тем, как отрегулировать противотуманные фары на Калине, нужно найти площадку с ровной поверхностью и стеной или сплошным забором перед ней. Именно в этом месте и будут проводиться все необходимые работы.
- В первую очередь проверьте давление в шинах, оно должно быть одинаковым, чтобы машина стояла ровно. После этого измерьте расстояние от земли до центра ПТФ и проведите горизонтальную линию на стене на той же высоте. Нормы ГОСТ регламентируют, чтобы на водительском сидении было отягощение весом 75 кг, можно посадить любого человека с примерно такой массой.
- Работа производится в темное время суток, автомобиль располагается на расстоянии 5 метров от стены, после чего включаются противотуманные фары. Сама регулировка производится с помощью винта, расположение которого показано на фото. То есть для настройки вам понадобится только тонкая крестообразная отвертка.
Главный плюс данного вида работ – простота
- Вначале плотным картоном или другим непрозрачным материалом закрывается одна фара, после чего отверткой поток света регулируется так, чтобы его центр располагался на линии или чуть ниже ее. То же самое повторяется и со второй ПТФ, после этого регулировку можно считать законченной.
Для придания дополнительной надежности стеклам и защите их от попадающих камней рекомендуем заказать изготовление наклеек на фары, они защитят поверхность от царапин и трещин.
наглядно покажет весь процесс от начала и до конца и поможет разобраться в некоторых важных нюансах еще лучше. Работы по силам каждому автолюбителю, если вы приобрели качественные изделия.
Для дополнительной защиты новеньких противотуманок, предусмотрено изготовление наклеек на фары. Они предохранят стекло от попадания камней, сколов, царапин, частиц битума. Удачи на дорогах!
Установить ПТФ на Ладу Калину своими руками
Противотуманные фары являются незаменимым помощником любому водителю, который оказался в пути в условиях ухудшившейся видимости. Напомним, что эти фары в большинстве случаев конструктивно располагаются ниже основной оптики. Производители помещают их в специальные ниши, выполненные в бампере (касается переда авто). Такое размещение вызвано природной особенностью тумана (стелиться в 30-60 см над земной поверхностью). Поэтому данные фары призваны освещать дорожное полотно именно на таком низком уровне. Если плохие условия видимости отсутствуют, то данная оптика своим включением помогает водителю лучше обозначить свой автомобиль.
Для Лада Калина производитель также предусмотрел возможность использования противотуманной светотехники. Эти приборы со временем подвержены износу, поскольку на них оказывают прямое воздействие наружные атмосферные факторы.
Наш материал поможет владельцам Лада Калина, которых постигает факт выхода из строя ПТФ. Здесь будут рассмотрены моменты, связанные с действиями, посредством которых можно достичь устранения данной неисправности. Также многих интересует вопрос как установить фары. Установка своими руками возможна.
Подготовка перед установкой
Как установить фары это одно дело, и перед ним нужно тщательно подготовиться. Особенность светового пучка противотуманных фонарей состоит в его прямолинейности, что позволяет отчетливо опознавать других участников движения в условиях ухудшившейся видимости. В Лада Калина производитель устанавливает оптику «Люкс», хотя сегодняшний рынок представлен разнообразием предложений, среди которых любой владелец сможет подобрать на свой вкус аналоговые ПТФ.
Данные изделия подразделяются на виды в зависимости от качественных показателей и класса.
Замена противотуманных фар на новые аналоги не предполагает выполнения вспомогательных работ, связанных с пилением или сверловкой поверхности бампера. К оптике в комплект производитель докладывает специализированные пластины, форма которых в точности повторяет контуры вырезов в бампере. Все, что потребуется, так это демонтаж штатных заглушек. Теперь самое время приступить к монтажу фар.
Для быстрого и качественного исполнения монтажных работ владельцу потребуется знать, как поставить фары и обзавестись таким набором материалов и инструментов:
- комплектом выбранной оптики;
- реле, проводкой и кнопкой для коммутации новых изделий с бортовой сетью;
- предохранителем вместе со своим держателем;
- рулеткой для регулировки направления светового пучка;
- ключами, размер которых «8» и «10»;
- отрезком проволоки для протяжки проводки;
- отвертками с разным профилем;
- нейлоновыми хомутами для фиксации кабельной линии;
- кусачками, изолентой и паяльником;
- шестигранным ключом для регулировки направления светового пучка.
Вооружившись инструкцией и завладев всем обозначенным перечнем подручных средств, приступаем к процессу как поставить фары.
Способы монтажа и виды ПТФ
Для модели Лада Калина являются применимыми разные типы противотуманных осветительных устройств. Фары могут быть:
- сдвоенными и округлыми;
- квадратными, утапливаемыми и овальными;
- подходящими к наружной установке.
Из указанного перечня не все устройства одинаково хорошо подходят для монтажа в рассматриваемой нами модели. Обдуманность покупки здесь должна фигурировать на первом плане, чтобы владельцу LADA Kalina не пришлось в дальнейшем судорожно переделывать штатные крепления.
Во избежание такого неприятного момента рекомендуем присмотреться к ниже приведенным вариантам и производителям:
- «Bosch». Именитый немецкий изготовитель, продукция которого, в частности ПТФ, может похвастаться качественной оптикой и дальним собранным пучком света. В продаже имеются только комплектно.
- Вариант от производителя «Луч». Является своего рода аналогом указанной немецкой продукции, однако по цене значительно выгоднее своего конкурента. Качественные показатели этих ПТФ далеки от идеала.
- Противотуманные фары «ProSport» китайского происхождения. Данный производитель также базируется на поставках запчастей к российским моделям.
- Изделия «Киржач». Эти ПТФ обладают линзообразными стеклами, что обеспечивает яркий пучок завидной дальности.
Отметим, что обозначенные здесь варианты противотуманных фонарей одинаково хорошо подходят к монтажу на LADA Kalina и не предполагают дополнительных манипуляций по подгонке к штатным местам.
Весь перечень манипуляций в данном случае будет сведен к снятию «родных» заглушек и установке в посадочные места новых противотуманных огней.
Практика знает два наиболее распространенных метода как монтировать противотуманные фары.
- С демонтажем бампера (именно данный способ будет здесь описан).
- Без потребности снятия этого кузовного компонента. Таким способом обычно пользуются профессиональные мастера, занимающиеся установкой ПТФ в автомобиле.
Если вы новичок в данном вопросе, то наиболее подходящим методом монтажа противотуманной оптики будет установка своими руками, предусматривающая снятие бампера.
На фото представлен монтажный комплект изделий.
Спойлер на Гранту
Регулировка сцепления Лада Гранта
Задний ступичный подшипник Гранта
Инструкция по монтажу
Здесь рассмотрен пошаговый алгоритм действий, которые будут обязательны к исполнению, дабы вся процедура завершилась успешно.
1. Сначала выполняем снятие бампера LADA Kalina. Для этого выкручиваем весь перечень крепежных компонентов.
Винты расположились на:
- нижней панели бампера по периметру;
- в колесных арках.
Теперь выводим из арочных проемов боковины элемента и осуществляем полное изъятие бампера с автомобиля.
2. Далее извлекаем заглушки посредством отгибания их защелок. Здесь пользуемся плоской отверткой.
3. Выкручиваем винты фиксации противотуманных фар. Каждое из изделий закреплено посредством трех таких крепежных компонентов.
4. Перемещаемся внутрь салона Лада Калина. В районе педального узла обнаруживаем жгут проводов. В данном месте выталкиваем уплотнительный элемент и металлической проволокой вытягиваем проводку, касающуюся питания противотуманных фар. Эти кабели находятся рядом с основным магистральным жгутом.
5. Проводку ПТФ коммутируем с основными проводами.
6. Теперь питающие кабели для противотуманной оптики располагаем и фиксируем так, чтобы было максимально удобно снимать разъемы с выводов устройств.
7. Минусовые клеммы прикрепляем к винтам кузова LADA Kalina.
8. Потребляемая противотуманной оптикой мощность достигает 110 Вт, поэтому эти устройства подключаем с применением реле с кнопкой.
9. Сама кнопка может быть установлена непосредственно на панели в салоне, к примеру, рядом с прикуривателем.
10. Для обеспечения осветительных компонентов питающим напряжением потребуется подключение к реле розового провода. Он расположен в предохранительном блоке.
11. Для защиты цепи рассматриваемых нами фар потребуется использование плавкой вставки номиналом в 15 А.
12. Силовая контактная группа реле с выводами «30» и «87» подключается к кабелям, ведущим к противотуманным фонарям.
13. По завершении всех коммутационных работ проверяем правильность монтажа и подключаем питание АКБ.
14. Нажимаем установленную внутри салона кнопку. Если все коммутации выполнены корректно, то противотуманные фары озаряют пространство, радуя владельца.
15. Монтаж бампера осуществляем по обратному алгоритму манипуляций.
Установка своими руками фар целиком и полностью завершена.
Подведем итоги
Выполнение рассмотренных нами действий по установке таких важных в автомобиле Лада Калина элементов, как противотуманные фары, не вызывает особых затруднений. Главное условие – приобретение качественных ПТФ, которые будут длительно функционировать, не потребуют дополнительных действий при установке и не принесут неприятных сюрпризов.
Что выбрать и как подключить противотуманные фары на Калину правильно
Отечественный автопром всегда требует к себе внимания со стороны владельцев.
Одному интересно самостоятельно повозиться с обслуживанием силового агрегата, другому — осуществить небольшой тюнинг внешнего вида, а третьему будет интересно произвести подключение противотуманных фар на Калину.
Автопроизводитель комплектует противотуманками только модификацию «спорт»
И действительно, чтобы сделать движение в плохих погодных условиях более безопасным, владельцы могут:
- Приобрести в свободной продаже комплект для подключения противотуманных фар на Калину;
- Самостоятельно осуществить их монтаж.
Монтаж электрических компонентов
Более сложной в техническом плане является операция по установке и интеграции электрических компонентов в штатную проводку.
Для успешного завершения работ владельцу необходимо решить следующие задачи:
- Правильно подключить ПТФ к блоку предохранителей;
- Установить кнопку активации противотуманных фар в салоне автомобиля.
Оригинальная схема подключения противотуманных фар на Калину
Если использовать проводку и прилагаемую электрическую схему из комплекта ПТФ, то подключение сведется к:
- Установке плавкого предохранителя в блок;
- Там же устанавливается и реле, отвечающее за работу кнопки включения;
- Соединению в единую электрическую сеть самих противотуманных фар и штатной электропроводки;
- Выводу управления их работой на кнопку.
На фото – фирменный комплект электронных компонентов, не требующий переделок. Его легко подключить к штатной системе электропроводки
Установка кнопки ПТФ
Кнопка включения противотуманных фар Калины может по желанию автовладельца быть установленной:
- На тоннеле между сиденьями;
- На панели приборов для комплектации Калины без кондиционера (устанавливается вместо кнопки кондиционера);
- В блоке управления наружным освещением.
Модуль управления светом (МУС) автомобиля Лада Калина имеет кнопку противотуманок, отвечающую за работу задних фонарей. За ним также прячется и блок предохранителей
Самым сложным вариантом подключения кнопки будет подсоединение ее к уже имеющейся в МУС. Для этого придется врезаться в жгут проводов и изолировать подсоединение. (см. также статью Проводка ВАЗ 2114: отличия от предшественницы)
Под №4 на фото расположена кнопка активации работы ПТФ
Менее сложными в монтаже будут варианты с подключением и выводом кнопки возле прикуривателя на тоннеле, или же с установкой кнопки в гнездо на панели приборов, предусмотренной для включения кондиционера (в модификациях без него).
В заключение
Надеемся, что смогли в полной мере описать вам весь процесс монтажа ПТФ на автомобилях семейства Лада Калина (См. также статью Схема проводки ВАЗ 21099 инжектор: ставим новый впрыск). В представленном видео в этой статье вы найдете дополнительную информацию по данной теме.
Помогла статья? Оцените её
Загрузка… [flat_ab id=»4″] [flat_ab id=»9″]
Как установить противотуманные фары на Лада Калина: фото ПТФ
Лада Калина не всегда бывает укомплектована противотуманными фарами. Тем не менее, владельцам автомобиля можно самостоятельно купить ПТФ и установить их.
об установке ПТФ на Лада Калина +установка декоративных заглушек.
Стандартный комплект (комплектация)
Стандартный комплект для монтажа противотуманных фар
В комплект с фарами входит:
- Рамки крепления.
- Сами фары (2 шт).
- Болты.
- Провода с разъемами на концах.
- Реле.
- Кнопка включения/выключения.
- Коннекторы, при помощи которых провода соединяются.
- Саморезы.
- Инструкция по монтажу.
В комплекте также есть гофра, в которой можно прятать провода. Она защитит их от повреждений и негативных внешних воздействий. Реле устанавливается в штатное место на монтажном блоке. Маркировку оно имеет 1119.
Рамки крепления могут быть дополнительно перекрашены в любой цвет. Также можно сразу купить рамки требуемого цвета. Цветов исполнения Калины много, но и рамки фирмы-комплектовщики выпускает тоже всех цветов.
Выбор ПТФ и цены на них
Такой набор продаётся практически во всех авто-магазинах ВАЗ
На Лада Калина с завода в некоторых комплектациях устанавливаются отечественные «противотуманки», которые изготавливаются в Рязани. Также в продаже можно найти и много других фар, от разных производителей. Владельцы Калин рекомендуют обратить внимание на светодиодную продукцию — это и современно, и экономично, ведь диоды потребляют меньше электричества.
Светодиодные ПТФ
Цены на светодиодные противотуманные фары начинаются от 2000 и могут достигать отметки более 20 тысяч рублей.
Светодиодные ПТФ в стандартном месте
«о плавном розжиге» противотуманных фар
Прикручиваем противотуманки на Ладу Калину
Очаровательные «глазки» Калины
Противотуманные фары — это незаменимый элемент для любой машины, так как они помогают при езде во время сильного тумана. Для тех, кто не знает: противотуманные фары располагаются значительно ниже основных фонарей, практически возле самого бампера. Это позволяет освещать дорогу на низком уровне, ведь туман стелется в 30-60 см над землей. Кроме того, даже если нет тумана, дополнительные фары всегда помогут обозначить габариты вашей машины во время езды ночью.
Противотуманки на Калину так же, как и любые другие, со временем могут испортиться. Именно поэтому владельцам данных автомобилей необходимо знать, что делать в тех случаях, когда ПТФ выходят из строя.
Подготовка к установке противотуманок
ПТФ имеют более дальний и направленный диапазон светового потока. Практически весь свет таких фар направлен только прямо, что позволяет заранее опознавать авто других водителей, не светя им в глаза.
На автомобиле Лада Калина установлены ПТФ «Люкс», однако на рынке запчастей огромное разнообразие моделей подобных фар, поэтому каждый автолюбитель сможет установить противотуманки на Ладу Калина, которые нравятся ему больше. В зависимости от класса и качества деталей различают несколько видов противотуманок.
В процессе замены старых фар на новые не требуется ничего сверлить и выпиливать. В комплекте вместе с ПТФ на Лада Калина идут специальные накладки по форме выреза бампера. Все, что нужно будет демонтировать, — это заглушки. После этого можно приступать к установке деталей.
Установочный комплект
Для того чтобы быстро и качественно провести замену старых противотуманных фар на новые, потребуется приготовить или купить некоторые запчасти и инструменты. Итак, для работ понадобятся:
- противотуманные фары (комплект);
- реле, провода и кнопка-комплект для подключения фар;
- плавкий предохранитель и держатель для него;
- рулетка — необходима для регулирования света;
- гаечные ключи с головками на 8 и 10;
- железная стальная проволока (небольшой кусок) — для того чтобы протянуть провода;
- отвертки — крестовая, плоская большого размера;
- стяжки нейлоновые — чтобы крепить провода;
- кусачки;
- паяльник;
- изолента;
- шестигранник, который нужен, чтобы регулировать направление света.
Имея в наличии все вышеперечисленные материалы и инструменты, можно смело приступать к работе, разумеется, предварительно изучив инструкцию по замене ПТФ.
Виды ПТФ и способы их установки на Калину
Стильные фары для Калины
Существует большое количество противотуманных фар, которые можно устанавливать на автомобиль Лада Калина. ПТФ могут быть следующих видов.
- Сдвоенные.
- Круглые.
- Для наружной установки.
- Квадратные.
- Утапливаемые.
- Овальные.
Однако на самом деле далеко не все вышеперечисленные модели можно установить вместо заводских противотуманок на Калину. При необдуманной покупке автовладельцам приходится переделывать крепления. Если вы хотите этого избежать, лучше всего приобретать один из комплектов ПТФ, выпускаемых следующими производителями.
- Противотуманные фары Bosch. Немецкий экземпляр, который отличается высоким качеством стекла и дальностью света. Продаются они только парой.
- Противотуманные фары “Луч”. Один из аналогов немецкой продукции, стоимость которых значительно ниже оригинала. Однако и качество их далеко не то, каким обладают немецкие противотуманки.
- Противотуманки ProSport от китайского производителя, который изготавливает запчасти для российских автомобилей.
- ПТФ “Киржач”. Имеют линзообразные стекла, которые позволяют сконцентрировать дальность и яркость потока света.
Следует отметить, что все противотуманные фары вышеперечисленных производителей идеально подходят для авто Лада Калина и не потребуют проведения каких-либо дополнительных манипуляций. Все, что нужно будет сделать — это снять старые заглушки и вместо них установить новые ПТФ. В комплекте с новыми противотуманками идут 4 заглушки, которые при необходимости можно окрасить в другой цвет для придания автомобилю большей стильности.
Схема подключения ПТФ
Существуют два распространенных способа установки фар против тумана.
- Со снятием переднего бампера (способ, который будет описан).
- Без снятия бампера — метод используется опытными мастерами, которые не один год занимаются ремонтом автомобилей.
Новичкам рекомендуется выполнять замену ПТФ, предварительно сняв передний бампер. На фото можно увидеть, что входит в установочный комплект противотуманных фар.
Инструкция по монтажу противотуманок на Ладу
Данная инструкция является пошаговой, поэтому в обязательном порядке нужно соблюдать последовательность действий. Нарушение этапов установки может привести к ошибкам монтажа и отсутствию желаемого результата.
- Для начала необходимо снять передний бампер. Чтобы это сделать, нужно предварительно выкрутить крепежные элементы. Саморезы находятся снизу бампера под решеткой. Кроме того, нужно выкрутить крепеж в арках колес, с его помощью крепятся края бампера. Боковины бампера необходимо вывести из-под арок обоих колес. После этого бампер полностью снимается.
- Далее следует вытащить заглушки, при этом защелки можно отогнуть при помощи плоской отвертки. Теперь с помощью саморезов нужно прикрутить противотуманки. Каждая ПТФ крепится на 3 самореза.
- Следующие действия проводят внутри салона авто. Заглянув под ноги, точнее, под педаль сцепления, можно увидеть пучок проводов. В этом месте нужно вытолкнуть уплотнитель, после чего при помощи металлической проволоки вытянуть провода от противотуманок, которые проходят рядом с основными.
- Провода от ПТФ необходимо соединить с основными, а весь пучок стянуть, используя хомуты из пластика.
- Напротив самих противотуманок нужно оставить провода такой длины с разъемами, чтобы их можно было легко зафиксировать при помощи стяжек. Что касается минусовых клемм, то их следует крепить к винтам на кузове авто.
- Поскольку общая мощность, которую потребляют ПТФ, составляет 110 Вт, подключать их нужно только через реле с управляющей кнопкой. Саму кнопку можно установить на приборную доску либо рядом с зажигалкой. Для того чтобы подвести питание к фарам, необходимо подключить к реле розовый провод, который находится в блоке предохранителей.
- Предохранитель, к которому подключается ПТФ, должен быть рассчитан на 15 А. Силовые контакты реле 30 и 87 подключаются к проводам на противотуманки.
- После выполненных работ нужно проверить правильность соединений, подключив клемму аккумулятора. Теперь нажимается кнопка в салоне. Если все в порядке и фары работают, можно приступать к заключительному этапу. Для более необычного «холодного» освещения можно установить в противотуманки ксенон.
- При установке бампера на автомобиль действия выполняются в обратной последовательности. Теперь необходимо еще раз проверить правильность работы всей системы.
Регулировка фар своими руками
После установки нужно отрегулировать направление и яркость света противотуманок. Для этого автомобиль ставится на ровную поверхность на расстоянии 5 метров от стены. Далее одна фара закрывается, например, картонкой или жестянкой. Вращая винт для регулировки, нужно сделать так, чтобы граница исходящего света была на 0,5 м ниже уровня светового потока основных фар.
Для наиболее точной регулировки используется специальный прибор реглоскоп, однако можно обойтись и без него. На этом процесс установки новых противотуманных фар заканчивается. Если все этапы были выполнены правильно, новые ПТФ будут служить долго и надежно.
Как подключить противотуманные фары на Калину
Противотуманные фары — это необходимый элемент автомобильной светотехники в машине «Лада Калина». Они установлены под основными фонарями. Такое положение позволяет освещать дорогу на низком уровне, поскольку туман стелется очень низко к земле, примерно на расстоянии тридцати-сорока сантиметров над поверхностью. Также ПТФ включают не только в туманную погоду, но и чтобы обозначить ночью габариты авто.
Поскольку противотуманки, как и любые другие фары, со временем могут выйти из строя, они нуждаются в периодической замене. Чтобы улучшить качества вашего авто, вы можете подобрать разные виды противотуманных фар от лучших производителей.
Установка фар в автосалоне стоит практически столько, сколько и сами комплектующие. Вы можете сэкономить денежные средства и самостоятельно подключить противотуманные фары в авто «Лада Калина». Ниже будет прилагаться инструкция по установке и схема подключения.
Виды ПТФ для «Калины»
В сфере автомобильной промышленности представлен широкий ассортимент противотуманных фар. Их подбирают под конкретную марку и модель авто. По форме ПТФ для машины «Лада Калина» бывают:
- овальные;
- круглые;
- квадратные;
- сдвоенные;
- утапливаемые.
Разные виды противотуманных фар
ПТФ различаются не только по изготовителю, но и по комплектации, техническим параметрам, качеству изготовления оптики. В среднем противотуманные фары стоят 1500 рублей. Что касается производителей, то для машины «Лада Калина» актуально устанавливать такие фары:
- ProSport. Китайский бренд, который выпускает на российский рынок детали и комплектующие для авто;
- «Луч». Производитель запчастей, подобных немецким, но качество продукции на порядок ниже, чем у оригинала;
- «Киржач». Качественные линзообразные фары с выпуклым стеклом с хороший уровнем яркости и дальности света;
- Bosch. ПТФ с высочайшими технологическими параметрами имеют плоское стекло и отличное качество.
Противотуманные фары Bosch, Hella
Итак, все вышеизложенные фары производят противотуманки, подходящие для авто «Лада Калина». Штатные противотуманные фары оснащены патроном Н11. Во время их установки не требуется создания особенного крепления либо иных манипуляций. Сняв старые ПТФ, соблюдая простой алгоритм действий, следует установить новые фары. К примеру, фары Hella, которые кстати, отличный вариант для дополнительного освещения авто.
Подготовка установки ПТФ
В первую очередь, чтобы заменить старые фонари и подключить новые, необходимо подготовить инструменты для работы:
- набор противотуманных фар;
- плоскую и крестовую отвертки;
- паяльник;
- кусачки;
- комплект для подключения фар: кнопку, провода, реле;
- стальную проволоку;
- нейлоновые стяжки;
- ключ гаечные на «8» и «10»;
- изоленту;
- рулетку;
- шестигранник;
- предохранитель с держателем.
Также для замены старых ПТФ и подключения новых нужна схема по монтажу приборов автомобильной светотехники.
Подключение противотуманных фар
Для этой работы требуется схема замены и подключения новых фонарей. Есть два варианта установки новых осветительных приборов: со снятием переднего бампера и без него. Мы предлагаем первый вариант, так как он более надежный и подходит для новичков. Если вы будете делать все последовательно, то установка противотуманных фар на «Калину» вами будет реализована без проблем. Эта схема важна для того, чтобы избежать погрешностей и достичь хороших результатов.
Пошаговая инструкция замены и подключения привотуманок выглядит следующим образом:
- В первую очередь, нужно отключить питание электроприборов и снять передний бампер с авто «Лада Калина», отвинтив саморезы под пластиковой решеткой и по краям. Иногда нужно демонтировать и номерной знак.
Отключаем электроприборы и снимаем передний бампер
- Воспользовавшись плоской отверткой, нужно изъять заглушки и выкрутить старые фары.
Достаем из упаковки противотуманные фары
- Далее следует монтировать тремя саморезами каждую новую фару.
- Провода фар следует оставить для фиксации их стяжками, а клеммы — прикрепить к кузову.
Провода для противотуманных фар
- Новые противотуманные фары необходимо подключить через реле. Кнопку управления устанавливают на приборную панель. Далее необходимо подвести питание к самим ПТФ.
- Контакты реле присоединить к проводам ПТФ.
- Потом нужно проверить качество и действенность всех контактов, соединений и кнопку для подключения фар.
- Затем бампер нужно аккуратно установить на место.
Итак, эта схема подключения довольно проста, и выполнить своими усилиями ее нетрудно.
Схема подключения противотуманных фар
Регулировка фар
Когда вы установили противотуманные фары в авто «Лада Калина» своими руками, рекомендуется настроить свет, а именно — отрегулировать направление и яркость света фар. Необходимо вашу машину поставить на ровное место на дистанцию пять метров от стены. За рулем должен сидеть человек вашей комплекции, чтобы максимально приблизить ситуацию к реальной. Затем следует закрыть одну фару, к примеру, картонкой.
Требуется настраивать винт для регулировки, пока фара не достигнет идеальных показателей. Грань света должна быть на полметра ниже потока основных фонарей. Чтобы осуществить самую точную регулировку светотехники автомобиля, нужно воспользоваться таким прибором, как реглоскоп.
Стоят штатные ПТФ немало, так как это качественная светотехника, необходимая каждому авто. Чтобы сэкономить деньги, вы можете самостоятельно установить их в авто «Лада Калина» в своем гараже. Для этого вам нужна схема и простые инструменты. Если вы выполните качественно все действия по установке противотуманок и отрегулируете свет, то новые фары прослужат вам долго и безупречно.
Какие функции выполняют противотуманные фары и стоит ли их устанавливать на Калину
Механики и опытные автолюбители рекомендуют устанавливать ПТФ на большинство моделей отечественных автомобилей. Такие фары недорогие и ставятся достаточно легко. Они сильно выручают во время езды при густом тумане, когда видимость составляет всего несколько метров. ПТФ устанавливают ниже основной оптики, они освещают дорогу на высоте около 50 см – именно там собирается туман.
Внешний вид ПТФ на Калину
В продаже можно встретить разные комплекты противотуманных фар, которые отличаются по цене и качеству. Лучше выбирать известных производителей, так как их оптика действительно даёт хорошую видимость и имеет долгий срок службы.
Совет: Даже яркие ПТФ при условии правильной установки не будут слепить глаза других водителей, поэтому такая оптика может быть включена в любое время суток.
Стандартные ПТФ входят в некоторые комплектации Калины, они установлены на нижнем бампере. Не всегда качество освещения стандартной оптики оптимальное – многие механики рекомендуют приобрести более качественный комплект и установить его на автомобиль. Конструкторы предусмотрели возможность замены таких фар, для ремонта не потребуется полностью снимать передний бампер.
Правильная регулировка ПТФ
Чтобы противотуманная оптика не мешала встречным водителям, её необходимо правильно отрегулировать. Так как фары дают направленный свет перед собой, их нужно установить строго горизонтально. Проверить освещение можно, поставив авто перед ровной стеной и включив фары в вечернее время. Основной луч должен быть на уровне переднего бампера и не подниматься выше 50-60 см от земли.
Замена противотуманок на Калине своими руками не требует особых навыков и теоретических знаний. Вместе с комплектом идёт инструкция по замене со схемой подключения. Если у вас возникли трудности при соединении проводов, можно позвать на помощь знакомого электрика.
- Александр Орда
- Распечатать






